Описание комплектации: с сиденьем Микролифт и клавишей смыва Хром
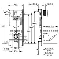
Комплект унитаза AQUAme AQM2004 с инсталляцией Grohe Rapid SL 38772001 с сиденьем Микролифт и клавишей смыва Хром.Характеристики:Унитаз: Цвет: белый глянец. Материал: фаянс. Габариты (ШхВхД): 340x350x490 мм. Организация смывающего потока: воронка-водоворот. Направление выпуска: горизонтальное (в стену). Безободковая конструкция Rimless. Система антивсплеск. Антигрязевое покрытие. Антибактериальное покрытие. Водоотталкивающее покрытие. Монтаж: подвесной. Сиденье из дюропласта с плавным опусканием крышки (Soft-Close - микролифт), быстросъемное. Инсталляция:Монтажная рама: Габариты (ШхВхГ): 50x113x23 см. Монтаж перед стеной или стеной-перегородкой. Самонесущая стальная рама с порошковым напылением подготовлена для облицовки. Фиксированные подключения, быстрая регулировка по высоте, крепежный материал. 2 болта-держателя для унитаза, крепление для керамики. Расстояние между болтами 18/23 см, выходной патрубок для унитаза диаметром 9 см, редуктор ди



































