Описание комплектации: с сиденьем Микролифт и клавишей смыва Хром
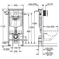
Комплект унитаза Owl 1975 Vind Cirkel-H TOWLT190302 с инсталляцией Grohe Rapid SL 38772001 с сиденьем Микролифт и клавишей смыва Хром.Глазурь полностью закрывающая поры в керамике позволяет сделать процесс очистки изделия проще, а также препятствует образованию налёта.Характеристики:Унитаз: Цвет: белый. Материал: фарфор. Размеры (ШхДхВ): 370х360х490 мм. Направление выпуска: горизонтальное (в стену). Безободковая конструкция. Система антивсплеск. Мощный вихревой слив (Технология Tornado). Антибактериальное покрытие препятствующее размножению микроорганизмов. Монтаж: подвесной. Сиденье из дюропласта с плавным опусканием крышки (Микролифт), быстросъемное. Инсталляция:Монтажная рама: Габариты (ШхВхГ): 50x113x23 см. Монтаж перед стеной или стеной-перегородкой. Самонесущая стальная рама с порошковым напылением подготовлена для облицовки. Фиксированные подключения, быстрая регулировка по высоте, крепежный материал. 2 болта-держателя для унитаза, креп





















































